Welded Beam Attachment

Welded Beam Attachment

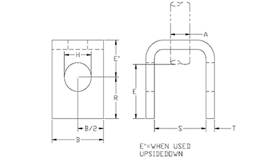
Size Range: 3/8″ to 3 1/2″
Material Types: Carbon Steel
Finish: Black, Galvanized, or coated to customer specifications
Applications: Recommended for attachment to bottom of steel where extreme loads are present and rod sizes are large
Approvals: Complies with Manufacturers Standardization Society SP-69 (Type 22)
How to Size: Size of attachments is determined by size of rod
Ordering: Specify rod size, part number, name and finish. Specify (with bolt and nut) if required for 1″ rod size and smaller. Specify (with pin and cotter pins) if required for 1 1/4″ rod size and larger.

Description

Part #100
Welded Beam Attachment

 

 

Download Part #100 Data Sheet

Reviews

There are no reviews yet.

Be the first to review “Welded Beam Attachment”

Your email address will not be published. Required fields are marked *