CACW-6×100-6-24-3600-1800-5400
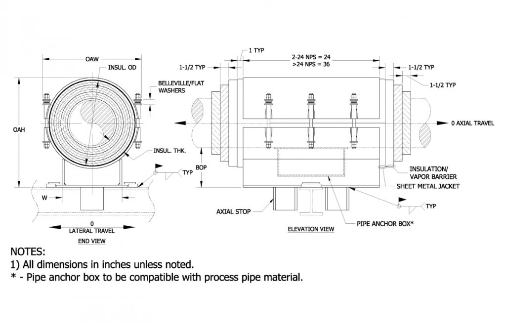
| Applications and Features – Temperature range to -460 Deg F to 195 Deg F – Higher temperature applications available – Teflon®/2B SS 304 slide plates on shoe and supporting steel on sizes 26” and larger – Design loads based on a safety factor of 5 – A36 steel construction – Patented anchor system allows increased load carrying capability and decreased heat transfer | – See technical specification RCS-750 | Ordering Instructions- Please Specify: – Model Number – Nominal Pipe Size – Insulation Thickness – BOP – Vertical Load – Movements |
Please fill out the form below and a Rilco representative will be in contact with you shortly.
Copyright 2024 © Rilco Manufacturing Company All Right Reserved